Последние новости за день в Самаре и Самарской области — События, происшествия, аналитика | СОВА - главные новости Самары

14 декабря 2021

Наука и образование

Учёный ТГУ получит грант на исследование от Российского научного фонда

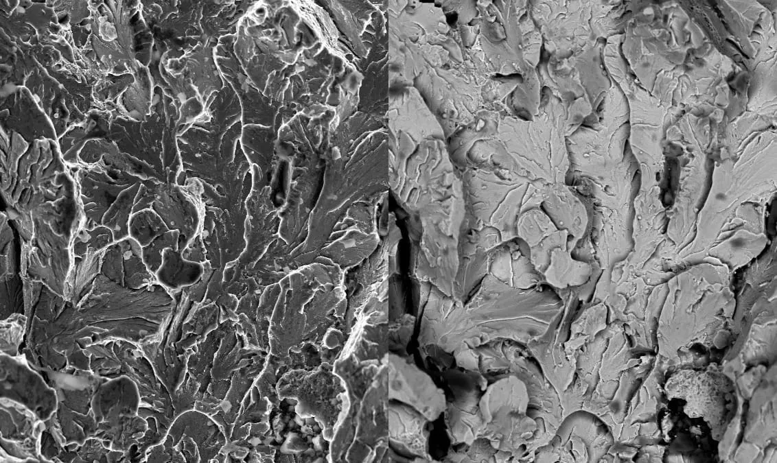
Ведущий научный сотрудник научно-исследовательского института прогрессивных технологий (НИИПТ) ТГУ, доктор физико-математических наук Игорь Ясников представил на конкурс проект "Универсальный, практико-ориентированный критерий потери устойчивости пластического течения в металлических материалах как прямое следствие коллективной динамики дислокационного ансамбля". Его реализация позволит понять аспекты возникновения и возможного предотвращения серьёзных техногенных катастроф, которые наносят значительный экономический урон промышленности и зачастую приводят к человеческим жертвам.

- Физическое материаловедение – это наука, которая оперирует очень широким классом экспериментальных данных. Таких данных – обработанных и необработанных – в мире очень много. Люди ставят эксперименты, а единой теории, описывающей поведение материалов вблизи критического состояния (в котором материал начинает деградировать, разрушаться) не существует, поэтому создание некоего описания критического состояния материалов, безотносительно к классу материалов, – это очень глобальная задача. А основная идея моей работы состоит именно в том, чтобы задолго до того, как материал начинает разрушаться при эксплуатации, при нагружении, сообщить, что он уже вступил в фазу необратимых изменений и через некоторое время разрушится. По сути, это поиск возможности применения неразрушающих методов контроля, которые позволили бы сказать, что материал деградирует через неделю или месяц, что он уже вступил в эту фазу деградации, - поясняет Игорь Ясников.

Методы, позволяющие избежать внезапной поломки оборудования и вовремя заменить рабочие детали, механизмы, узлы и т. д., необходимы практически в каждом производстве, на крупных и мелких предприятиях. И если при остановке станка на заводе последствием станут лишь экономические потери, то разрушение крупного узла, например, на гидроэлектростанции или в опорах моста, может привести к более серьёзным последствиям.

- Поиск общих закономерностей в физических свойствах – это, на самом деле, цель очень многих исследований. Я пытаюсь связать в единое целое все существующие сейчас в этом направлении наработки и показать, что есть общие для всех материалов характеристики, которые позволят предугадывать их разрушение, - говорит Игорь Ясников. - Этот анализ в итоге должен привести к определению параметров, которые характеризуют материал в критическом состоянии.

Средний размер гранта РНФ на выполнение проекта составляет 1,5 млн рублей в год. Исследования будут проводиться в 2022-2023 годах.

Материалы по теме:  В ТГУ создадут "химерную молекулу", убивающую рак / Проект студентки ТГУ принес победу в конкурсе "Моя страна - моя Россия" / ТГУ приглашает на творческую встречу "PROдизайн"

Фото(множ):  Загрузить

Дата изменения:  15.10.2023 14:36:22

Кем изменен (имя):  (Karlova) Karlova

Активность:  Y